
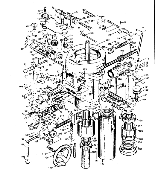
我們在炮塔銑床服務中,經常會接觸到許多客戶和維修服務人員,在維修過程中無法判斷炮塔銑床的各個零部件名稱,無法和廠家配件部門溝通,今天我們將完整全面的炮塔銑床零部件的各個部分給予分解,并按圖文編號給予標注,分享給大家,希望能給有所幫助,詳情如下:
零件明細表銑床零件分解圖(A部分)
零件明細表銑床零件分解圖(A部分)
|
編號 |
品名規格 |
編號 |
品名規格 |
編號 |
品名規格 |
|
A001 |
拉桿 |
A039 |
螺母 |
A077 |
背輪變帶櫬套 |
|
A002 |
拉桿墊圈 |
A040 |
止動墊圈 |
A078 |
背輪變速曲柄 |
|
A003 |
鎖緊螺母(配A020) |
A041 |
電機固定桿 |
A079 |
塑料球 |
|
A004 |
軸承鎖緊螺母(配A011) |
A042 |
皮帶輸罩殼 |
A080 |
定位桿 |
|
A005 |
軸承6207 |
A043 |
電機固定圈 |
A080 |
彈簧 |
|
A006 |
內軸承套 |
A044 |
墊片 |
A082 |
鋁牌(高低速牌) |
|
A007 |
外軸承套 |
A045 |
變速手柄 |
A083 |
電機手柄 |
|
A008 |
軸承6207 |
A046 |
塑料球 |
A084 |
塑料球(電動機) |
|
A009 |
壓縮彈簧 |
A047 |
熱片 |
|
|
|
A010 |
螺釘 |
A048 |
螺釘 |
|
|
|
A011 |
皮帶輸軸套 |
A049 |
電機皮帶輸 |
|
|
|
A012 |
螺母 |
A050 |
齒輪箱蓋板 |
|
|
|
A013 |
止動墊圈 |
A051 |
螺釘 |
|
|
|
A014 |
剎車固定螺絲 |
A052 |
油嘴1/8″ |
|
|
|
A015 |
彈簧 |
A053 |
鍵 |
|
|
|
A016 |
螺釘 |
A054 |
蝸桿離合器軸 |
|
|
|
A017 |
剎車轉軸 |
A055 |
主軸大齒輪 |
|
|
|
A018 |
剎車片 |
A056 |
軸承6203 |
|
|
|
A019 |
大皮帶輸 |
A057 |
小齒輪軸 |
|
|
|
A020 |
皮帶輸軸 |
A058 |
鍵 |
|
|
|
A021 |
鍵 |
A059 |
小齒輪 |
|
|
|
A022 |
三角皮帶 |
A060 |
軸承6203 |
|
|
|
A023 |
齒形皮帶 |
A061 |
定位銷 |
|
|
|
A024 |
皮帶輸法蘭盤 |
A062 |
背輸撥叉 |
|
|
|
A025 |
皮帶輸 |
A063 |
齒輪罩殼 |
|
|
|
A026 |
皮帶輸法蘭盤 |
A064 |
定位銷 |
|
|
|
A027 |
螺釘 |
A065 |
定位銷 |
|
|
|
A028 |
螺母 |
A066 |
螺釘 |
|
|
|
A029 |
塑料球 |
A067 |
鋁牌(注意牌) |
|
|
|
A030 |
離合器手柄 |
A068 |
軸承6208 |
|
|
|
A031 |
離合器轉盤 |
A069 |
孔用擋圈 |
|
|
|
A032 |
螺栓銷 |
A070 |
止動墊圖 |
|
|
|
A033 |
開口器擋圈 |
A071 |
軸承鎖緊螺母 |
|
|
|
A034 |
剎車手柄 |
A072 |
螺母 |
|
|
|
A035 |
銷(配A033) |
A073 |
雙頭螺釘 |
|
|
|
A036 |
墊圈 |
A074 |
墊圈 |
|
|
|
A037 |
公司名牌 |
A075 |
背輸偏心軸 |
|
|
|
A038 |
鋁牌(主軸轉速牌) |
A076 |
銷 |
|
零件明細表銑床零件分解圖(B部分)
零件明細表銑床零件分解圖(B部分)
|
編號 |
品名規格 |
編號 |
品名規格 |
編號 |
品名規格 |
|
B001 |
螺釘 |
B042 |
銅套 |
B084 |
螺釘 |
|
B002 |
墊圈 |
B043 |
自動進刀蝸桿 |
B087 |
螺釘 |
|
B003 |
小圓錐齒輪軸 |
B044 |
蝸桿銅套 |
B088 |
彈簧 |
|
B004 |
進給蝸齒軸櫬套 |
B045 |
螺釘 |
B089 |
頂桿 |
|
B005 |
渦輪軸櫬套 |
B047 |
固定墊圈 |
B090 |
銅套 |
|
B006 |
無頭抵絲 |
B048 |
銅套 |
B091 |
墊圈 |
|
B007 |
蝸輪隔套 |
B049 |
圓錐齒輪 |
B092 |
自動進刀蝸輪 |
|
B008 |
進給蝸輪 |
B050 |
離合器 |
B093 |
離合器 |
|
B009 |
進給渦輪軸 |
B051 |
圓錐齒輪 |
B094 |
卡環 |
|
B010 |
鍵 |
B052 |
銅套 |
B095 |
銷 |
|
B011 |
鍵 |
B053 |
螺釘 |
B096 |
過載離合器脫開桿 |
|
B012 |
內六角螺絲 |
B054 |
螺釘 |
B097 |
熟圈 |
|
B013 |
墊片 |
B055 |
拉桿 |
B098 |
卡環 |
|
B014 |
鍵 |
B056 |
銷 |
B099 |
離合器盤 |
|
B015 |
進給反向圓錐齒輪 |
B057 |
拉桿軸 |
B100 |
螺釘 |
|
B016 |
進給齒合銷 |
B059 |
銷 |
B101 |
螺母 |
|
B017 |
蝸輪支架 |
B060 |
進給變換桿 |
B102 |
銷 |
|
B018 |
偏心軸 |
B061 |
無頭螺釘 |
B103 |
滑桿 |
|
B019 |
偏心座 |
B062 |
鍵 |
B104 |
脫開手柄 |
|
B020 |
定位桿 |
B063 |
進給變換拔插 |
B105 |
塑料球 |
|
B021 |
彈簧 |
B064 |
變換偏心軸 |
B106 |
進給斷開裝置支座 |
|
B022 |
銷 |
B066 |
變速器盤 |
B107 |
螺釘 |
|
B023 |
曲柄 |
B067 |
杯頭螺釘 |
B108 |
螺釘 |
|
B024 |
塑料球 |
B068 |
定位桿 |
B109 |
鍵 |
|
B025 |
螺釘 |
B069 |
彈簧 |
B110 |
拉柄(結合件含111+112) |
|
B027 |
銅套 |
B070 |
變速曲柄 |
B113 |
定位圈 |
|
B028 |
三聯齒輪 |
B071 |
銷 |
B114 |
銅球 |
|
B029 |
鍵 |
B072 |
塑料球 |
B115 |
彈簧 |
|
B031 |
三聯齒輪軸 |
B073 |
杯頭螺釘 |
B116 |
螺釘 |
|
B032 |
軸用擋圈 |
B074 |
螺釘(非標) |
B117 |
銷 |
|
B033 |
銅套 |
B075 |
銅套 |
B118 |
滑動塊 |
|
B034 |
墊片 |
B076 |
螺釘 |
B119 |
銷 |
|
B035 |
小圓錐齒輪 |
B077 |
鍵 |
B120 |
彈簧 |
|
B036 |
雙聯齒輪軸 |
B078 |
圓螺母(配B081) |
B121 |
脫開柱銷 |
|
B038 |
三聯齒輪軸 |
B079 |
彈簧 |
B123 |
橫頂桿蓋 |
|
B039 |
鍵 |
B080 |
過載離合器 |
B124 |
橫頂桿 |
|
B040 |
進給傳動齒輪 |
B081 |
過載離合器套軸 |
B125 |
手輸 |
|
B041 |
軸承BA66 |
B083 |
螺釘 |
B126 |
手柄 |
|
編號 |
品名規格 |
編號 |
品名規格 |
編號 |
品名規格 |
|
B127 |
主軸 |
B167 |
鍵 |
|
|
|
B128 |
主軸套筒外套 |
B168 |
T型銷 |
|
|
|
B129 |
圓螺母 |
B169 |
螺釘 |
|
|
|
B130 |
止動墊圈 |
B172 |
軸釘 |
|
|
|
B131 |
軸承6206 |
B175 |
進刀手柄座 |
|
|
|
B132 |
主軸隔套 |
B176 |
十二孔座 |
|
|
|
B133 |
前端蓋 |
B177 |
彈簧蓋 |
|
|
|
B134 |
軸承蓋 |
B178 |
主軸復位彈簧 |
|
|
|
B135 |
軸承7207 |
B179 |
墊片 |
|
|
|
B136 |
軸承外隔套 |
B181 |
無頭螺釘 |
|
|
|
B137 |
軸承內隔套 |
B182 |
無頭螺釘 |
|
|
|
B138 |
軸承7207 |
B183 |
凹凸銷 |
|
|
|
B141 |
無頭螺釘 |
B184 |
頂桿 |
|
|
|
B142 |
套筒軸 |
B185 |
螺釘 |
|
|
|
B143 |
螺母 |
B186 |
轉頭渦輪 |
|
|
|
B144 |
無頭螺釘 |
B187 |
鍵 |
|
|
|
B145 |
進給停止杠桿 |
B188 |
無頭螺釘 |
|
|
|
B146 |
停止杠桿銷 |
B189 |
轉頭蝸桿 |
|
|
|
B147 |
旁桿 |
B190 |
進刀手柄 |
|
|
|
B148 |
主軸套筒銅塊 |
B191 |
塑料球 |
|
|
|
B149 |
彈簧 |
B192 |
機頭本體 |
|
|
|
B150 |
鎖緊手柄 |
B193 |
油杯1/8″ |
|
|
|
B151 |
擋圈 |
B194 |
油管進刀弧標牌 |
|
|
|
B152 |
鎖緊螺桿 |
B195 |
本體標牌 |
|
|
|
B153 |
固定銅塊 |
|
|
|
|
|
B154 |
固定螺栓 |
|
|
|
|
|
B155 |
方形螺栓 |
|
|
|
|
|
B156 |
螺栓隔套 |
|
|
|
|
|
B157 |
螺母 |
|
|
|
|
|
B158 |
螺釘 |
|
|
|
|
|
B159 |
標尺(0-125) |
|
|
|
|
|
B160 |
卡環 |
|
|
|
|
|
B161 |
防松螺母 |
|
|
|
|
|
B162 |
微調整螺母 |
|
|
|
|
|
B163 |
主軸套筒停止擋塊 |
|
|
|
|
|
B164 |
螺桿 |
|
|
|
|
|
B165 |
螺釘 |
|
|
|
|
|
B166 |
進刀軸 |
|
|
|
|
零件明細表銑床零件分解圖(C部分)
零件明細表銑床零件分解圖(C部分)
|
編號 |
品名規格 |
編號 |
品名規格 |
編號 |
品名規格 |
|
C001 |
轉頭渦輪 |
C052 |
鞍座 |
C103 |
支承座 |
|
C002 |
銑頭座 |
C053 |
左刮屑器座 |
C104 |
升降螺桿銅螺母 |
|
C003 |
左右標尺 |
C054 |
橡膠塊 |
C105 |
螺釘 |
|
C004 |
軸用彈性擋圈 |
C055 |
升降臺鑲條 |
C111 |
前蓋板 |
|
C005 |
標尺鉚釘 |
C056 |
十字螺釘 |
C112 |
床身側蓋板 |
|
C006 |
垂直調整蝸桿 |
C057 |
右刮屑器座 |
C113 |
床身后蓋板 |
|
C007 |
墊圈 |
C058 |
橡膠塊 |
C118 |
十字叉 |
|
C008 |
蝸桿軸 |
C060 |
上擋屑板 |
C120 |
滑枕進退齒輪軸 |
|
C009 |
鍵 |
C060.5 |
中擋屑板 |
C123 |
墊圈 |
|
C010 |
滑枕 |
C061 |
下擋屑板 |
C124 |
滑枕座(回轉臺) |
|
C011 |
吊環螺釘 |
C062 |
升降臺 |
C125 |
滑枕鑲條 |
|
C012 |
套筒 |
C074 |
螺母 |
C129 |
固定螺栓 |
|
C013 |
螺釘 |
C075 |
鍵 |
C130 |
齒輪軸定位螺釘 |
|
C014 |
圓柱銷 |
C076 |
帶斜度墊片 |
C133 |
滑枕鑲條定位螺釘 |
|
C015 |
前后標尺 |
C077 |
大圓錐齒輪 |
C134 |
滑枕鑲條定位螺母 |
|
C016 |
標尺鉚釘 |
C078 |
墊圈(非標) |
C135 |
滑枕緊固螺釘 |
|
C017 |
接頭軸銷 |
C079 |
軸承5305 |
C136 |
滑枕鎖緊柱銷 |
|
C018 |
墊圈 |
C080 |
軸承護圈 |
C137 |
升降臺銷緊柱銷 |
|
C019 |
固定螺栓 |
C081 |
螺釘 |
C138 |
圓盤標尺 |
|
C020 |
銑頭座鎖緊墊圈 |
C082 |
升降螺桿 |
C139 |
伸臂標尺 |
|
C023 |
工作臺 |
C083 |
曲面手柄 |
C140 |
三角歸零牌 |
|
C031 |
定位螺釘 |
C084 |
升降曲柄 |
C141 |
長方形歸零牌 |
|
C032 |
工作臺定位檔塊 |
C085 |
升降離合器 |
C142 |
集中潤滑手動泵組 |
|
C033 |
螺母 |
C086 |
標尺固定螺母 |
C055 |
油嘴 |
|
C037 |
鎖緊手柄 |
C087 |
升降刻度盤 |
C030 |
工作臺堵頭 |
|
C038 |
升降臺銷緊螺釘 |
C088 |
標尺座 |
|
|
|
C039 |
鞍座鎖緊柱銷 |
C089 |
螺絲 |
|
|
|
C040 |
螺釘 |
C090 |
軸承護圈 |
|
|
|
C041 |
鑲條調整螺釘 |
C091 |
軸承6204 |
|
|
|
C042 |
工作臺擋塊座 |
C092 |
軸承座 |
|
|
|
C043 |
工作臺鑲條 |
C093 |
鍵 |
|
|
|
C044 |
刮屑器 |
C094 |
升降軸 |
|
|
|
C046 |
工作臺鎖緊柱銷 |
C095 |
軸承6204 |
|
|
|
C047 |
鎖緊手柄 |
C096 |
小圓錐齒輪 |
|
|
|
C048 |
工作臺銷緊螺釘 |
C097 |
螺釘 |
|
|
|
C049 |
鞍座鑲條 |
C098 |
床身 |
|
|
|
C050 |
刮屑器 |
C101 |
過濾嘴 |
|
|
|
C051 |
十字螺釘 |
C102 |
螺釘 |
|
|
零件明細表銑床零件分解圖(D部分)
零件明細表銑床零件分解圖(D部分)
|
編號 |
品名規格 |
編號 |
品名規格 |
編號 |
品名規格 |
|
D001 |
螺母 |
|
|
|
|
|
D002 |
曲面手柄 |
|
|
|
|
|
D003 |
刻度盤螺母 |
|
|
|
|
|
D004 |
刻度盤 |
|
|
|
|
|
D005 |
刻度環座 |
|
|
|
|
|
D006 |
螺釘 |
|
|
|
|
|
D007 |
軸承護圈 |
|
|
|
|
|
D008 |
軸承6204 |
|
|
|
|
|
D009 |
圓柱銷 |
|
|
|
|
|
D010 |
螺釘 |
|
|
|
|
|
D011 |
左右軸承座 |
|
|
|
|
|
D012 |
足有軸承座 |
|
|
|
|
|
D013 |
彈性墊圈 |
|
|
|
|
|
D014 |
鍵 |
|
|
|
|
|
D015 |
縱向絲桿 |
|
|
|
|
|
D016 |
螺釘 |
|
|
|
|
|
D017 |
螺釘 |
|
|
|
|
|
D018 |
縱向調整絲母 |
|
|
|
|
|
D019 |
縱向固定絲母 |
|
|
|
|
|
D020 |
三丸手柄 |
|
|
|
|
|
D021 |
橫向絲桿 |
|
|
|
|
|
D022 |
橫向軸承座 |
|
|
|
|
|
D024 |
T型橡膠塊 |
|
|
|
|
|
D025 |
|
|
|
|
|
|
D026 |
|
|
|
|
|
|
D027 |
|
|
|
|
|
|
D028 |
|
|
|
|
|
|
D029 |
|
|
|
|
|
|
|
|
|
|
|
|
|
|
|
|
|
|
|
|
|
|
|
|
|
|
|
|
|
|
|
|
|
|
|
|
|
|
|
|
|
|
|
|
|
|
|